In steel structure construction and installation, different foundation types need to be chosen based on geological conditions, structural loads, and construction requirements. To help clients install projects more quickly and accurately, Hengon has compiled the following common foundation types for reference.
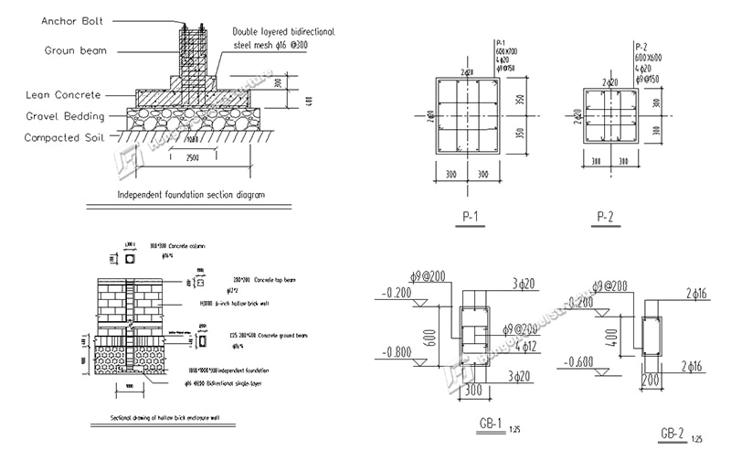
1.Independent foundation
The independent foundation for a single column or support point should have its size and depth determined based on the load of the structure (such as high-rise steel structure office buildings, commercial buildings, or heavy industrial plants). Additionally, it is typically equipped with a ground beam to connect the independent foundations, enhancing the overall stability of the foundation structure. 

2.Strip Foundation
Suitable for lighter steel structure buildings, the foundation is in a strip shape, typically used to support walls or longer steel beams.(Single-story light industrial factories or warehouses, low-rise residential buildings or small villas, and small commercial buildings such as shops, office buildings, etc.)

3.Raft foundation
Suitable for areas with poor geological conditions, the foundation has a large coverage area and can evenly distribute the load. It is commonly used in large-scale steel structure projects.(Suitable for high-rise buildings, large factories and warehouses, commercial complexes, etc.)


4.Pile foundation
Used in areas with poor geological conditions or high groundwater levels, it involves driving piles or injecting piles to extend the foundation deep into the ground. It is suitable for steel structures that require bearing large loads.(Suitable for coastal areas in the United States, Japan, Singapore, and other island regions)

Hengon Steel Structure Ltd, with 24 years of production experience and 15 years of export experience, is a leading direct supplier of steel structure buildings. With extensive industry knowledge in steel structure installation, we are well-equipped to address any concerns you may have during the installation process. Feel free to consult us, and our professional engineering team will provide the most suitable solutions for your project!(Email: info@hglsgroup.com Phone/WhatsApp: +8617866882668)